bevictor伟德官网 bevictor伟德官网院 欢迎您!

资料下载
资料下载

材料力学

  • 时间:2019-12-16
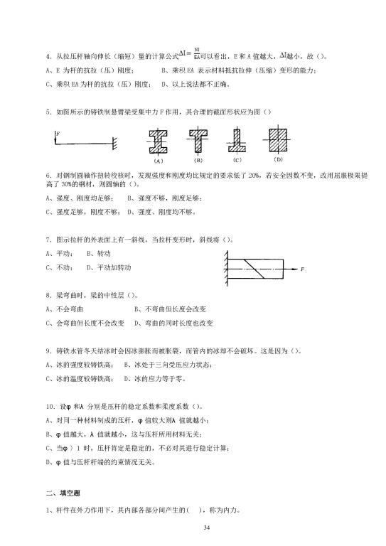
  • 作者:
  • 点击:
  • 来源:bevictor伟德官网

下一条:理论力学教辅资料

关闭

联系电话:

023-58102281

版权信息:

地址:重庆市万州区天星路666号

版权所有·bevictor伟德官网 - 韦德官方网站

Copyright © http://www.weddingblaster.com All Rights Reserved