首页注释:本案例探讨了三峡库区库岩压实粗粒土力学性能问题。本案例涉及到的内容主要有三峡库区库岸工程压实粗粒土在不同级配、不同含水率、不同压实度下的力学性能试验及力学参数合理选择等相关知识点。作者:程龙飞,岩土工程专业,工学博士,教授,硕士生导师,主要从事地质灾害监测预警实用技术、安全评价与风险管理和智慧工程等方面的研究;工作单位:bevictor伟德官网。
在此特别指出,本案例充分参阅了前人发表的文章,为了避免版权纠纷,本案例仅供教学使用。
摘要:通过对万州库岸相关粗粒土(主要为碎石土)填方工程实地调研,填方土体受三峡水库水位变化的影响,土体中含水率也发生相应变化,土体的力学性能也发生相应变化,工程局部出现大变形或失稳。鉴于此,本案例从野外采取相应填土土样,设计碎石含量(30%、40%、50%)、含水率(5%、7%、9%、11%、13%、饱和状态)和不同压实度(90%、94%、96%、98%、100%),通过三轴试验,测定工程压实粘土在不同含水率、不同压实度下的力学性能试验,让员工掌握粗粒土物理力学参数变化规律,为今后在相同类型岩土工程设计、施工中合理选择相关物理力学参数提供实践经验。
关键词:粗粒土;含水率;压实度;三轴试验;强度
引言:三峡库区库岸工程建设中,存在大量粗土填方工程,由于受水位变化影响,土体中含水率发生相应变化,土体的力学性能也发生相应变化,工程局部出现大变形或失稳。接合实际工程情况,设计不同碎石含量、含水率和不同压实度,通过三轴试验,测试粗粒土物理力学参数变化规律,为员工今后在相同类型岩土工程设计、施工中合理选择相关物理力学参数提供参考依据。
背景介绍:本案例通过对万州库岸天仙湖治理工程、南滨路填方工程、大周库岸1段(239)治理工程等的实地调研,这些工程均受三峡水库145m~175m水位变化的影响,其粗粒土填方体由于受水位变化影响,土体中含水率也发生相应变化,土体的力学性能也发生相应变化,工程局部出现大变形或失稳。接合实际工程情况,通过三轴试验,测定工程压实粘土在不同含水率、不同压实度下的力学性能试验,让员工掌握粗粒土物理力学参数变化规律,为今后在相同类型岩土工程设计、施工中合理选择相关物理力学参数提供实践经验。
内容:
一、试验目的和依据
(一)试验目的:接合万州库岸典型工程案例,设计不同碎石含量、含水率和不同压实度,通过三轴试验,测试粗粒土物理力学参数变化规律。
(二)试验依据:
1.《建筑地基基础设计规范》(GB50007-2011);
2.《岩土工程勘察规范》(GB50021-2001(2009年版));
3.《土工试验方法标准》(GB/T50123-2019)。
二、试验原理(三轴试验(UU))
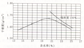
(一)击实试验(测试最大干密度与最佳含水率)
1.按下式计算击实后各点的干密度
ρd=ρ/(1+0.01w) (1)
式中:ρd 为土的干密度(g/ cm3);ρ 为土的湿密度(g/ cm3);w 为土的含水率(%)。
2.以干密度为纵坐标,含水率为横坐标,绘制干密度与含水率的关系曲线,曲线上峰值点的纵、横坐标分别为最大干密度和最佳含水率。如果曲线不能绘出明显的峰值点,应进行补点或重做。
图1
-
关系曲线
(二)三轴压缩试验
1.轴向应变应按下式计算:
(2)
式中:
为轴向应变(%);h1 为剪切过程中试样的高度变化(mm);h0 为试样初始高度(mm)。
2.试样面积的校正,应按下式计算。
(3)
式中:Aa 为试样的校正断面积(cm2);A0 为试样的初始断面积(cm2)。
3.主应力差应按下式计算:
(4)
式中:
为主应力差(KPa);
为最大主应力 (KPa);
为最小主应力(KPa);C为测力计率定系数(N/0.01mm); R 为测力计读数(0.01mm);10 为单位换算系数。
4.取4个圆柱体试样,分别在其四周施加不同的恒定周围压力(小主应力),随后逐渐增加轴向压力(大主应力)直至破坏。试验数据处理时,以剪应力为纵坐标,法向应力为横坐标,在横坐标轴以破坏时的
为圆心,以
为半径,在
应力平面上绘制破损应力圆,并绘制不同周围压力下破损应力圆的包线,进而获得强度参数。
三、主要仪器仪器
(一)电子天平,精度0.001g、0.1g、5g各1台;
(二)电动脱模机,2台;
(三)JDS-1型电动击实仪,4台;
(四)TSZ-3型应变控式三轴仪(全自动),4台。
四、主要操作步骤
(一)击实试验
1.选取具有代表性的风干土样不少于15kg(对于轻型击实仪,干土法,土样不重复使用)并测定其风干含水率;
2.按四分法至少准备5个试样,并根据土的工程性质加入不同的水份(按2%~3%的含水率递增),将试样平铺于不吸水的平板上,按预定含水率用洒水壶喷洒所需的加水量,充分搅和并分别装入塑料袋中静置24h备用。按下式计算加水量:
mw=0.01(w-wh) m/(1+0.01 wh) (5)
式中:mw 为土样所需加水量(g);m 为风干含水率时的土样质量(g);wh 为 风干含水率(%);w 为土样所要求的含水率(%)。
3.将击实筒放在坚实的地面,装好护筒,并在击实筒内涂一薄层润滑油,将搅和好的试样分层装入击实筒内。对于轻型击实试验,分三层,每层25击(轻型,筒径102mm)。击实时击锤应自由垂直落下,锤迹必须均匀分布于土样表面,一层击好,加下一层土样时应将接触面“拉毛”;击实完成后,超出击实筒顶的试样高度应小于5mm;
4.取下导筒,用刀修平超出击实筒顶部和底部的试样,擦净击实筒外壁,称击实筒与试样的总质量,准确至1g;
5.用脱模机将试样从击实筒中推出,从试样中心处取样测定土的含水率。
(二)三轴压缩试验
1.试样制备:选取代表性土样,测定风干含水率,按要求的含水率算出所需加水量;将需加的水喷洒到土料上拌匀,然后置于密闭容器内至少20h;在模具中制备试样,按试样高度分层击实;击实完成后,使用脱模机脱模;
2.试样安装:将橡皮膜套在承膜筒内,两端翻出筒外,从吸气孔吸气,傅膜贴紧承膜筒内壁,套在试样外,放气,取出承膜筒;用橡皮圈将橡皮膜分扎紧在压力室底座和试样帽上;装上压力室罩;打开排气孔,向压力室充水;
3.施加围压:控制柜设置围压,围压大小与工程的实际小主应力相适应,并尽可能使最大围压与土体最大实际小主应力大致相等;也可按100kPa、200kPa、300kPa、400kPa施加;
4.施加法向荷载:启动动主机升降台;剪切应变速率0.5%/min-1.0%/min;有峰值时,超过峰值可结束法向加载;无峰值时,轴向应变应大于15%后可结束法向加载;
5.数据采集:由数据采集模块自动记录,包括围压、应变、主应力差等数据;
6.法向加载结束,卸载围压,拆卸试样;
7.数据处理。



图2 制备三轴试样
图3 三轴试验操作
五、试验成果整理分析
(一)最大干密度与最佳含水率
表1 最大粒径为5mm时的最大干密度与最佳含水率
碎石含量
|
30%
|
40%
|
50%
|
最大干密度(g/cm3)
|
2.03
|
2.09
|
2.07
|
最佳含水率(%)
|
9.46
|
8.44
|
8.43
|
图4 碎石含量与最大干密度关系(最大粒径5mm)
图5 碎石含量与最佳含水率关系(最大粒径5mm)
表2 最大粒径为10mm时的最大干密度与最佳含水率
碎石含量
|
30%
|
40%
|
50%
|
60%
|
最大干密度(g/cm3)
|
2.04
|
2.09
|
2.09
|
2.11
|
最佳含水率(%)
|
9.23
|
8.37
|
8.27
|
8.33
|
图6碎石含量与最大干密度关系(最大粒径10mm)
图7碎石含量与最佳含水率关系(最大粒径10mm)
由上可知,土体最大干密度在粗粒含量小于50%时,有先增加后减小的趋势,而粗粒含量大于50%后有增大趋势;土体最佳含水率随粗粒含量增加,有减小趋势,且当粗粒含量大于40%后变化较小。
(二)三轴试验数据
1.碎石含量30%,含水率9.5%
表3 不同密实度的强度参数(碎石含量30%,含水率8.5%)
密实度
|
100%
|
98%
|
96%
|
94%
|
粘聚力(KPa)
|
138.27
|
125.84
|
105.05
|
95.25
|
内摩擦角(°)
|
26.93
|
25.00
|
24.89
|
24.10
|
图8 密实度与粘聚力关系(最大粒径5mm,碎石含量30%,含水率8.5%)
图9 密实度与内摩擦角关系(最大粒径5mm,碎石含量30%,含水率8.5%)
2.碎石含量40%,含水率8.5%
表4 不同密实度的强度参数(碎石含量40%,含水率8.5%)
密实度
|
100%
|
98%
|
96%
|
94%
|
粘聚力(KPa)
|
122.96
|
117.15
|
99.20
|
91.73
|
内摩擦角(°)
|
29.58
|
29.18
|
27.75
|
26.68
|
图10密实度与粘聚力关系(最大粒径5mm,碎石含量40%,含水率8.5%)
图11 密实度与内摩擦角关系(最大粒径5mm,碎石含量40%,含水率8.5%)
3.碎石含量50%,含水率8.5%
表5 不同密实度的强度参数(碎石含量50%,含水率8.5%)
密实度
|
100%
|
98%
|
96%
|
94%
|
粘聚力(KPa)
|
72.66
|
64.05
|
53.28
|
40.58
|
内摩擦角(°)
|
31.66
|
30.37
|
28.79
|
26.50
|
图12密实度与粘聚力关系(最大粒径5mm,碎石含量50%,含水率8.5%)
图13密实度与内摩擦角关系(最大粒径5mm,碎石含量50%,含水率8.5%)
4.不同密实度时强度参数与粗颗粒含量的关系
图14 密实度为100%时强度参数与粗颗粒含量的关系
图15 密实度为98%时强度参数与粗颗粒含量的关系
图14密实度为96%时强度参数与粗颗粒含量的关系
图15密实度为94%时强度参数与粗颗粒含量的关系
由上可知,土体中粗粒含量与含水率一定条件下,试验测得土样的粘聚力与密实度有较好的线性相关性,且随密实度的增加而增大;内摩擦角与密实度无线性相关性。在相同密实度条件下,粘聚力随碎石含量的增加而减小,且在粗粒含量小于40%时增加较大。
压实粗粒土力学性试验案例教学指导手册
教学目的与用途:
1.本案例适用于全日制土木水利工程类硕士专业结构工程方向研究生的方向必修课程《高等土力学》。试验土力学是土力学发展的基础,是高等土力发展的支柱之一。三峡库区库岸工程建设中,存在大量粗土填方工程,体由于受水位变化影响,土体中含水率也发生相应变化,土体的力学性能也发生相应变化,工程局部出现大变形或失稳。接合实际工程情况,设计不同碎石含量、含水率和不同压实度,通过三轴试验,测试粗粒土物理力学参数变化规律,为员工今后在相同类型岩土工程设计、施工中合理选择相关物理力学参数提供实践经验。
2.通过此教学案例,使研究生掌握击实试验和三轴试验的试验原理、试验仪器结构与构造、试样制备、试验方法、仪器操作和试验数据整理分析,并通过本案例,掌握不同碎石含量、含水率和压实度对粗粒土强度影响规律,为今后解决同类型工程问题提供实践经验。此外,此教学案例也可用于土木、道路与桥梁工程等相关本科专业的教学。
教学内容:
1. 涉及知识点:
(1)最佳含水率、最大干密度测试方法;
(2)三轴试验试验原理;
(3)三轴试验仪器结构构造及工作原理;
(4)三轴试验试样制备;
(5)三轴试验方法与试验成果整理。
2. 理论依据及分析思路
理论依据:根据库仑强度理论,粗粒土因碎石含量、含水率和压实度不同,土体物理力学性质也随之改变。填土在一定的压实条件下,获得达到最大的压实度时,当土体含水率高于或低于某含水率,该土就难以压实,即该含水率为最佳含水率,此时对应压实土体干密度为最大干密度。根据实际工程压实度(实际干密度与最大干密度比值),设计不同密度三轴试验试样。三轴试验能近似模拟土体所受围压及竖向荷载下的应力条件,是测试科学合理土岩力学参数的主要途径之一。
分析思路:以高等土力学库仑强度理论为理论基础,试验依据为建筑地基基础设计规范、岩土工程勘察规范、土工试验方法标准测标准等关于粗粒土三轴试验的相关规定。然后根据本案例通过对万州库岸天仙湖治理工程、南滨路填方工程、大周库岸1段(239)治理工程等的实地调研情况,粗土填方工程受长江水位变化影响,进而根据试验工程不同碎石含量击实试验,测试最佳含水率及最大干密度,然后又根据实际工况不同压实度,按最不同工况下含水率制备三轴压缩试验 试样,利用应控制式三轴仪,进行三轴(UU)压缩试验,整理实验数据,分析粗粒土在不同碎石含量、含水率和压实度下的物理力学参数变化规律。
本案例结合自身特点,按照具体研究分析报告来进行分析与讲解。
建议课堂计划:
时间安排:根据教学需要,整个案例课的课堂时间控制在6学时,以便比较充分地了解案例所涉及的知识点,以下是根据课程时间进度安排的课堂学习计划。
课前计划:发放案例材料,提出课后思考题,请员工在课前完成阅读和初步思考。
课中计划:课堂前言,明确该案例主题(20分钟);案例讲述,案例总体介绍,引导员工分析和认真学习该案例的理论知识点,并提出思考题(120分钟);分组讨论(20分钟);小组发言(20分钟一个小组,4组);案例总结:包括案例中的关键知识点,以及如何运用理论知识去分析和解决实际问题(30分钟)。
课后计划:通过案例分析和总结,使员工掌握土石混合体强度原位测试相关知识,然后布置相关作业,以论文或者报告形式写出案例分析,并对难点和易错点可以进一步研究。
参考文献
1.谢定义,姚仰平,党发宁.高等土力学,北京:高等教育出版社,2008.
2.卢廷浩,刘祖德等.高等土力学,北京:机械工业出版社,2006.
3.Jean Biarez,Pierre Yves Hicher(译者:尹振宇 姚仰平).试验土力学,上海:同济大学出版社,2014.
4.《建筑地基基础设计规范》(GB50007-2011),北京:建筑工业出版社,2011.
5.《岩土工程勘察规范》(GB50021-2001(2009年版)),北京:建筑工业出版社,2009.
6.《土工试验方法标准》(GB/T50123-2019),北京,中国计划出版社.
7.梁彬.粗粒土复杂应力路径试验研究[D], 河海大学, 2007.
8.袁铁柱.粗粒土的静力特性试验研究[D],新疆农业大学2010.
9.李文波.粗粒土物理力学特性研究[D],昆明理工大学,2015.
10.王益栋.粗粒土单颗粒压缩破碎强度和压缩变形的分形理论[D],上海交通大学,2017.